Прожорливость водонагревателей: считаем, сравниваем
С развитием техники горячая вода в доме перестала быть роскошью. В частных домах, да и в квартирах, где горячую воду отключают подчас на весь летний период, с этой проблемой прекрасно справляются водонагреватели. В специальных магазинах их сейчас можно найти огромное количество. Не стоит проблема и с подключением: можно без труда подыскать мастера или же решить вопрос собственными силами. Но это вторичные вопросы, на которые ищет ответ потенциальный покупатель водонагревателя. Самый первый вопрос, который он задаст себе: сколько водонагреватель потребляет электроэнергии, выгодно ли его применять?

Схема работы водонагревателя.
Для начала важно уточнить, какие водонагреватели бывают. В первом случае вода из крана сразу поступает подогретой (максимум до 45°С). Внутри такого нагревателя стоят элементы, отдающие тепло проходящей через них воде
Во втором типе водонагревателей (по-другому он называется бойлер) принцип иной: вода набирается в емкость, а уже потом подогревается до нужной температуры. Сама емкость при этом работает как термос: препятствует быстрому остыванию нагретой воды. В первом случае подогрев идет только тогда, когда включается кран с водой, во втором вода может нагреваться круглосуточно, поддерживая заданную настройками температуру
Внутри такого нагревателя стоят элементы, отдающие тепло проходящей через них воде. Во втором типе водонагревателей (по-другому он называется бойлер) принцип иной: вода набирается в емкость, а уже потом подогревается до нужной температуры. Сама емкость при этом работает как термос: препятствует быстрому остыванию нагретой воды. В первом случае подогрев идет только тогда, когда включается кран с водой, во втором вода может нагреваться круглосуточно, поддерживая заданную настройками температуру
В первом случае вода из крана сразу поступает подогретой (максимум до 45°С). Внутри такого нагревателя стоят элементы, отдающие тепло проходящей через них воде. Во втором типе водонагревателей (по-другому он называется бойлер) принцип иной: вода набирается в емкость, а уже потом подогревается до нужной температуры. Сама емкость при этом работает как термос: препятствует быстрому остыванию нагретой воды. В первом случае подогрев идет только тогда, когда включается кран с водой, во втором вода может нагреваться круглосуточно, поддерживая заданную настройками температуру.
Существует мнение, что проточные нагреватели потребляют больше электроэнергии: необходимая скорость подогрева воды увеличивается, что может быть достигнуто за счет мощных нагревательных элементов. Миф ли это, разберемся ниже. Пока только стоит заметить, что даже если в проточных нагревателях существует повышенное энергопотребление, оно компенсируется тем, что водонагреватель включается лишь по мере необходимости. В накопительных же устройствах мощность нагревательных элементов меньше, но она с лихвой дополняется более долгой работой устройства: только так возможно поддержание нужной температуры воды.
Бойлер в 50 л: энергозатраты
Схема бойлера на 50 литров.
Перед приобретением водонагревателя надо определиться, какое количество горячей воды в сутки тратит семья в среднем. Этот показатель очень важен и может колебаться от 25 л (помывка рук, посуды, быстрый душ) до 250 л (прием ванны каждый день) на человека. Все проще, если в квартире установлен счетчик на горячую воду: показания за месяц делим на количество дней — это и будет водопотребление семьи в день. Допустим, потребление горячей воды семьи из 2-х работающих человек составляет около 50 л горячей воды в сутки (с учетом того, что эта горячая вода для пользования смешивается с холодной, так что объем пригодной по температуре воды для проведения водных процедур будет больше). Это значит, что целесообразно будет приобрести водонагреватель на 50 л, чтобы ежедневно не тратить деньги на нагрев ненужных литров.
Далее нужно определить, за какое время бойлер объемом 50 л нагреет воду до температуры приблизительно 70°С. Эту информацию нетрудно найти для прибора конкретной марки. Возьмем среднее значение — 1,5-2 часа. Примерное энергопотребление водонагревателя накопительного типа составляет 2 кВт за час работы. Отсюда получаем приблизительно 4 кВт электроэнергии за 1 нагрев (в сутки) плюс 0,3 кВт на поддержание температуры. Итого: 4,3 кВт в день или приблизительно 129 кВт в месяц. С учетом тарифов на электроэнергию (от 1,82 рубля за кВт в некоторых районах сельской местности России до 2,49 рублей за кВт в крупных городах) энергопотребление водонагревателя накопительного типа объемом 50 л обойдется в денежном эквиваленте от 234 до 321 рублей в месяц.
Потребление
Электрический чайник
Чтобы разобраться, какую мощность потребляет нагреватель электрического чайника, произвести необходимые расчеты, следует учесть, что электрочайники бывают разные. По этой причине расходы на потребление энергии будут разниться.
- потребляемая мощность чайника – показатель, разграничивающий модели между собой;
- литраж – максимальный объем жидкости, который прибор доводит до кипения за раз.
Два упомянутых аспекта влияют на количество потребленного электричества. Чем выше мощность электрического чайника, тем большее количество электрической энергии тратится. Чем большего объем, тем больше времени необходимо затратить на доведения воды до нужной температуры. Чтобы узнать, много ли потребляется электричества, нужно знать какова у чайника мощность потребления.
Возьмем за пример типичный электрочайник мощностью две тысячи ватт. Это значит, что за час работы он потратит два киловатта. За минуту прибор расходует тридцать три ватта, но для закипания воды требуется около четырех минут. Значит, потратиться сто тридцать три ватта. Дальнейшие расчеты зависят от интенсивности использования чайника. Кто-то пьет чай пару раз в день, кто-то кипятит воду каждый час. Если взять за пример, что в сутки чайник используется семь раз, за один день потратится девятьсот тридцать три ватта.
Чтобы рассчитать, сколько потребляет электрочайник, имеющийся на вашей кухне, произведите такие подсчеты:
- в паспорте прибора указана мощность чайника, также информация может располагаться на корпусе прибора;
- произведите расчеты времени закипания чайника;
- умножьте получившееся число на количество раз кипячения воды;
- таким же образом узнаем расходы за месяц, умножив получившиеся результаты на количество дней в месяце.
Мощности современного чайника варьируются в промежутке от семисот до трех тысяч ватт
Кроме этой характеристики прибора, важно понимать, что расход зависит от множества факторов:
- объема прибора;
- материала корпуса;
- количество воды;
- разновидности нагревательного элемента;
- химического состава воды.
Мощность электрочайника
Нагревательный элемент оказывает непосредственное влияние на показатели. На рынке производители представляют чайники с двумя вариантами тэнов:
- Спираль или тэн открытого типа. Этот нагревательный элемент располагается непосредственно в колбе, напрямую контактирует с водой. Такой вариант чайника отличается бесшумностью, высокой скоростью нагревания воды.
- Пластина или тэн закрытого типа. Нагревательный элемент располагается на дне прибора. Данный тип кипятильника требует большего времени для закипания, производит шум, но накипь образуется гораздо медленнее, в сравнении с выше описанным аналогом.
Чайник с закрытым тэном закипает около трех-четырех минут, вариант с открытой спиралью – за две минуты. Несмотря на это, современные варианты представлены в основном чайниками с пластиной.
На скорость закипания влияют материалы, из которого изготовлен продукт. Учитывайте этот момент, выбирая чайник. Чтобы понизить энергопотребление, ознакомьтесь с особенностями каждого материала корпуса:
- Металл. Такие приборы очень быстро прогреваются и удерживают тепло, но тратиться дополнительное количество ресурса на прогревание рабочего корпуса.
- Стекло. Стекло быстро разогревается, но плохо удерживает тепло.
- Керамика. Материал не обладает высокой скоростью разогревания, но очень долго сохраняет тепло. Чайник из керамики длительное время остается горячим.
Чайник с закрытым тэном
Некоторые люди задают вопрос, что больше плита или электрический чайник расходуют электричества? Ответить на этот вопрос однозначно нельзя: следует произвести расчеты, поскольку на показатели влияют слишком многие факторы. Но наблюдения показывают, что затраты на кипячение воды чайником ниже, чем затраты при использовании газо- или электроплиты.
Формулы расчета
Чтобы рассчитать, сколько потребляет энергии бойлер, следует учитывать его объем, время, за которое он греет воду и мощность ТЭНов. Можно посмотреть все эти данные в паспорте, но при выборе в интернете, такой возможности нет. Поэтому проще всего посчитать расход самому.

Чтобы вычислить время подогрева воды, воспользуемся формулой: время = 0,00116 * объем (температура горячей воды – температура водопроводной воды)/мощность. Отсюда легко посчитать, сколько на это потратится электроэнергии, умножив время работы на мощность ТЭНа.
Взяв в среднем семью из трех человек, которая потребляет около 200 л в день, предполагаемое энергопотребление в сутки рассчитываем, разделив 200 на объем и умножив на электричество для одного бака. Умножив полученное значение на 30, получим количество киловатт, которое потребуется в месяц для поддержания ГВС. Расход на поддержание тепла в состоянии ожидания можно не учитывать, потому что он минимален.
Виды бойлеров
Существует несколько видов водонагревателей:
- Проточный. Корпус бойлера выполнен из пластика, а также имеет встроенную нагревательную спираль, которая прикреплена к смесителю. Вода нагревается до 45-50 о С, проходя через спираль. Чем меньше скорость движения воды, тем больше ее температура. Проточный водонагреватель отлично подходит для дачных домов.
- Накопительный. Устройство имеет накопительный бак, в котором устроена спираль. При остывании воды в баке, происходит включение функции подогрева в автоматическом режиме. Таким образом, всегда поддерживается комфортная температура. Воды остывает долго, так как внутри бойлера есть слои утеплителя. Накопительный водонагреватель подходит для домов круглогодичного проживания. В зависимости от количества человек в семье можно выбрать бойлер подходящего объема.
Проточный и накопительный бойлер затрачивают примерное количество электроэнергии. Разница заключается лишь в том, что первый подогревает воду при необходимости, а второй – поддерживает определенную температуру круглосуточно. При использовании проточного бойлера можно увидеть большие скачки напряжения в сети.
Потребление

Водонагреватель
От того, сколько электроэнергии потребляет водонагреватель, зависят расходы по оплате электричества. Существует три типа нагревательной техники и каждый из вариантов имеет свои особенности:
- Накопительный водонагреватель. Представляет собой бак разного объема, с тэном внутри. Вода нагревается до определенной температуры, после чего нагреватель отключается. Контроль за процессом выполняет специальный датчик. При понижении температуры, ниже установленной, тэн включается повторно и доводит температуру до требуемой. Это приводит к перерасходу электричества, если вовремя не использовать подогретую воду и не выключить прибор. Ассортимент электронагревателей с тэном достаточно обширен.
- Проточный водонагреватель. Устройство не имеет бака. Вода перемещается по трубам, попадает в нагреватель. Проходя через него, вода достигает необходимой температуры. Сколько потребляет такой водонагреватель, будет зависеть от температуры воды на входе.
- Косвенный водонагреватель. Нагрев воды в баке осуществляется за счет отопительной системы. Это может быть центральное отопление или газовый котел. Благодаря функциональным особенностям бойлера, вода в нагревателе долго остается горячей, даже после отключения основного источника тепла. Благодаря дополнительной системе теплоизоляции объемы потребляющиеся бойлером косвенного нагрева очень незначительны: за счет косвенного использования электроэнергии отмечается существенная экономия средств.
Путем подсчетов и наблюдений, было установлено, что приборы проточного типа расходуют большее количество электроэнергии, поскольку обладают большей мощностью. Но с другой стороны, проточные системы включаются периодически, в то время, как накопительные используются постоянно. Мощность водонагревателя накопительного типа бывает разной, поэтому назвать их полностью энергосберегающими нельзя.
Чтобы произвести расчеты, необходимо знать следующие показатели: вместительность водонагревателя, мощность устройства, расход воды, время, необходимое для подогрева воды до нужной температуры и энергопотребление прибора в ваттах.
Читать
Сколько энергии потребляет теплый пол
Есть примерные таблицы, позволяющие прикинуть, какой объем бака потребуется для комфортного использования. Например, одному человеку достаточно установить водонагреватель объемом от десяти до тридцати литров, при этом первое число – минимальный объем, последнее – нормальный. Для семьи из двух человек нужен бойлер на пятьдесят литров. Классическая семья из двух взрослых и двух детей нуждается в водонагревателе объемом от ста до ста двадцати литров.
Специалисты рекомендуют в среднем рассчитывать на одного человека пятьдесят литров воды в сутки. Стоит отметить, что цифры могут быть гораздо ниже или выше. Все зависит от потребностей в использовании воды: приготовление пищи, соблюдение личной гигиены, стирка, мытье посуды, принятие ванны или душа. Есть установленные нормы потребления воды на человека: на сутки для умывания необходимо около восьмидесяти литров, на мытье посуды – около двадцати литров, купание в ванной – около ста восьмидесяти литров.
Но при покупке учитывается не только литраж. Так как происходит смешение холодной и горячей воды, расход получается меньшим.
Что такое электроводонагреватель
По своей сути — это термос и любой производитель пытается лучше удержать тепло для меньшего энергопотребления. Каждый сочетает в своей конструкции тэн.
Помните в советское время были да и сейчас есть стеклянные термоса с двойными стенками которые уж замечательно держали тепло. Помню у меня был такой старый советский термос был на работе, все говорили: » Упадет, сломаешь, расколется». И конечно через 3 месяца он раскололся, а держал он очень хорошо тепло и был вкусный горячий чай.
Тэн— Трубчатый Электрический Нагреватель, который имеет в составе по центру нихромовую нить определенного сопротивления и окружённую изолятором, и защищённую снаружи корпусом.
Виды электрических проточных водонагревателей
Хотя принцип работы нагревателей воды такого типа, практически, один и тот же, но в продаже можно встретить большое их разнообразие. Они могут отличаться формой, дизайном, исполнением, мощностью, материалом и качеством изготовления.
В зависимости от исполнения проточные водонагреватели могут быть:
-
«На кран»
— устанавливаемыми непосредственно на раковину умывальника или мойку (на фото внизу — крайний слева). Они, как правило, имеют минимальные габариты и практически не требуют места для своей установки, но и, чаще всего, имеют меньшую мощность и используются только для одной точки потребления горячей воды; -
Настенными
, которые крепятся на стену помещения или стенку мебели. Они требуют для своего монтажа хотя и небольшого, но все же отдельного места, могут быть большей мощности и использоваться, как для одной точки потребления (например для приема душа), так и для горячего водоснабжения всего дома или квартиры.
Кроме этого, водонагреватели проточного типа могут быть напорными и безнапорными.
Безнапорные
, обычно, рассчитаны на одну точку водопотребления и вода из них сразу подается наружу через кран, кухонную или душевую насадку. Они отличаются более низкой ценой и относительно небольшой мощностью (до 8 кВт).
Напорные
проточные водонагреватели используются для горячего водоснабжения всего дома или квартиры, обеспечивая горячей водой несколько точек водозабора. Поэтому, их иногда еще называют системными, так как горячая вода из них сразу поступает в систему, где имеется избыточное давление (напор) как на входе в водонагреватель, так и на выходе. Такие нагреватели воды отличаются большей мощностью и, соответственно, стоимостью.

Дешевле или дороже пользоваться колонкой?
Средняя газовая колонка при постоянно включенном фитиле потребляет 0,6-0,8 м3 газа. В месяц, таким образом, выходит 22-24 м3 газа, что даже по московскому тарифу на 2021 год (5,7 рублей для домов с центральным отоплением и колонкой — например, «хрущевок», «гостинок» и «малосемеек») составляет всего 136,8 рублей.
И это расход при постоянно работающей колонке. Между тем, в реальности, разумеется, никто не держит ее включенной 24/7. Она либо зажигается спичкой непосредственно перед использованием воды, а потом гасится, либо включается и выключается автоматически. Так что если вы действительно хотите экономить, приобретайте не бойлер, а газовую колонку-автомат — например, вот такую:
Пример расчета потребления бойлера
Допустим, есть бойлер с теплопотерями 0.5% в час, а в сутки на семью необходимо 200 литров воды. Температура холодной воды +10, а горячей +55 градусов. Отсюда имеем:
- V = 200;
- T1 = 55;
- T2 = 10.
Подставим эти значения в первую формулу:
W = 0.0016 x 200 x (55 – 10) = 14.4
Получается, что для подогрева воды нужно 14.4 киловатта в сутки, или 432 в месяц.
А теперь давайте учтем теплопотери. Число W мы уже знаем, а P будет равняться 0,5. Подставим значения в формулу и получим:
W1 = 14.4 x (0.5 x 24 +100) / 100 = 16.128
Значит, среднесуточное потребление электроэнергии водонагревателем составляет 16,128 кВт, а за месяц – 483,84 кВт.
Как посчитать расход за час, месяц и год
Большинство современных холодильников накручивает 220-460 кВт в год.
Для примера приведем расчет для модели LG DoorCooling+ GA-B459MQQM.
Это устройство имеет класс энергоэффективности А++, что соответствует 243 кВт*ч / год. Имеющейся информации достаточно для проведения расчетов:
- В месяц эта модель холодильника потребляет 243 / 12 = 20,25 кВт/ч.
- За сутки — 243 / 365 = 665 Вт/ч.
- В час холодильник берет 665 / 24 = 27,7 Вт/ч.
Если привести эти параметры к стоимости электроэнергии, нужно знать расценки в вашем регионе проживания.
Так, в РФ средняя цена за 1 кВт*ч составляет 3,6 рубля и это позволяет рассчитать расходы владельца холодильника за разные периоды:
- Месяц — 72,9 рубля.
- День — 2,394 рубля.
- Час — 0,099 рубля.
- Расходы в год составят 874,8 рублей.
Учтите, что приведенные выше данные являются усредненными, а реальные параметры могут отличаться в большую или меньшую сторону.
Для получения реальной информации необходимо врезать в цепочку амперметр, использовать токовые клещи или энергометр.
Последний вариант более удобный, ведь девайс достаточно вставить в розетку, а уже в него вилку от холодильника.
При этом устройство будет показывать реально потребляемую мощность и даже переводить информацию в рубли с учетом установленного тарифа.
Но это уже для тех, кто хочет уж очень щепетильно изучить данный вопрос, хотя в большинстве случаев в этом нет необходимости, особенно если вы часто включаете электрическую духовку или постоянно пользуетесь бойлером.
На их фоне электропотребление холодильника – это «слезы».
Как экономно пользоваться бойлером?
Экономить с включенным водонагревателем нужно в процессе его эксплуатации, а не выбирать самую бюджетную модель. Пользователи дают множество советов, как реально сэкономить потребляемую электроэнергию на бытовом бойлере. Ниже приведен ТОП самых действенных.
Установка и подключение для экономной работы
Существует несколько простых хитростей:
- выбор подходящего места для монтажа. Большая длина патрубка от ванной до раковины приводит рассеиванию тепла. В этом случае тратиться большее количество киловатт;
- настройка активности. Можно подобрать периоды активности и рестарта ТЭНа. Много сэкономить не выйдет, но это хорошее начало;
- профилактическая чистка нагревателя. После удаления накипи ТЭН будет вырабатывать достаточное количество тепла при минимальных энергозатратах;
- один уровень температуры. Максимальный режим обеспечивает быстрый нагрев, но увеличивает потребление энергии. При выборе программы подогрева можно снизить количество потребляемой энергии.
Важно! У старых моделей бойлеров в режиме подогрева падает КПД, и они потребляют больше энергии
Уменьшение потребления горячей воды
Только ли в энергоресурсе дело? Вы не поймете, как нужно экономно использовать бытовой бойлер, если не подсчитаете расходы воды. Для повышения температуры 1 л воды нужно 0,001 кВт/ч мощности нагревателя. Но и на этом легко сэкономить.
Включение по графику
Запускать бойлер стоит только тогда, когда действительно требуется горячая вода. Лучше подождать нагрева устройства, чем оплачивать огромные счета. График включения зависит от объема бака:
- водонагреватели емкостью до 50 л можно отключать перед уходом из дома, а по возвращении включать. На нагрев прибор тратит 1-1,5 часа, потом просто поддерживает воду в горячем состоянии;
- бойлеры на 80-100 л дольше греются, потребляют большое количество энергии. Температуру достаточно выставить на минимум и включить дежурный режим.
Совет! Купите и установите таймер — он будет 2 раза за сутки к выбранному времени включать нагрев.
Предварительный подогрев
Как можно экономить на работающем бойлере зимой? При температуре воды в коммуникациях центрально типа 6-10 градусов на нагрев требуется больше энергии. Для снижения затрат нужно наполнить емкость на 50-100 л теплой водой и поставить его в котельной. Она нагреется за 8-10 часов.
Важно! Способ подходит только для жителей частных домов и предусматривает использование альтернативных источников тепла
Душевые насадки
Пользователи, которые изучили, как лучше сэкономить потраченную электроэнергию на бытовом бойлере, советуют правильно выбирать душевые насадки. Они расходуют 10 л воды за минуту и бывают:
- классическими, создающими водяной шлейф;
- со струей мягкого типа, подходящими для помещений с высокой влажностью.
Устаревшие насадки, расходующие около 20 л воды за минуту, нужно заменить. Для начала нужно засечь время, за которое наполнится трехлитровая банка. Если оно превышает 20 сек, купите новую насадку.
Аэраторы и ограничители расхода воды
Аэраторы выполняются в виде специальной насадки. Кухонный элемент расходует 8 л воды за минуту, а предназначенный для ванной — от 5 до 15 л за минуту. Если поставить ограничитель расхода, можно тратить не более 40-75% горячей воды, или 3 л за минуту.
Интересно знать! На набор ванной тратится минимум 100 л воды, на 5-минутный душ — не более 30 л.
Отключение бойлера от сети питания
Как же правильно и безопасно пользоваться электрическим бойлером, но при этом сэкономить? Выключайте его из сети кнопкой в ночное время. Прибор работает, как термос, поэтому вода будет остывать медленно. Отключение из розетки необходимо, если вы надолго уезжаете из дома.
Напорный или безнапорный проточный водонагреватель?
Кроме энергоемкости проточного водонагревателя, нужно определиться еще и с тем напорный или безнапорный прибор нужен именно для ваших нужд.
Нагреватели напорного типа, так называемые системные, дают возможность получать горячую воду из всех кранов в квартире или доме.
Такой водонагреватель монтируют напрямую в трубы водоснабжения. Это безусловно предпочтительно в случае, если отключается центральная подача теплой воды. Активируется такой нагреватель автоматически, когда в трубе появляется давление, то есть когда пользователь включает кран.
Безнапорные устройства производятся мощностью не больше 8 кВт. Их часто сразу комплектуют смесителями, то есть они могут обслуживать единственную точку забора воды. Такие электронагреватели особенно удобно применять в дачный сезон и в гостевых загородных домах.
Еще один полюс таких приборов – относительно невысокая стоимость, поэтому для каждой водозаборной точки специалисты советуют ставить свой нагреватель. Это так же выгодно и с точки зрения того, что пропадает необходимость нагревать воду в трубах, то есть уменьшается расход электроэнергии. Они достаточно легко монтируются и снимаются, поэтому их предпочитают использовать на дачах.

Пример расчета потребления бойлера
Допустим, есть бойлер с теплопотерями 0.5% в час, а в сутки на семью необходимо 200 литров воды. Температура холодной воды +10, а горячей +55 градусов. Отсюда имеем:
- V = 200;
- T1 = 55;
- T2 = 10.
Подставим эти значения в первую формулу:
W = 0.0016 x 200 x (55 — 10) = 14.4
Получается, что для подогрева воды нужно 14.4 киловатта в сутки, или 432 в месяц.
А теперь давайте учтем теплопотери. Число W мы уже знаем, а P будет равняться 0,5. Подставим значения в формулу и получим:
W1 = 14.4 x (0.5 x 24 +100) / 100 = 16.128
Значит, среднесуточное потребление электроэнергии водонагревателем составляет 16,128 кВт, а за месяц – 483,84 кВт.
Принцип работы и виды исполнения
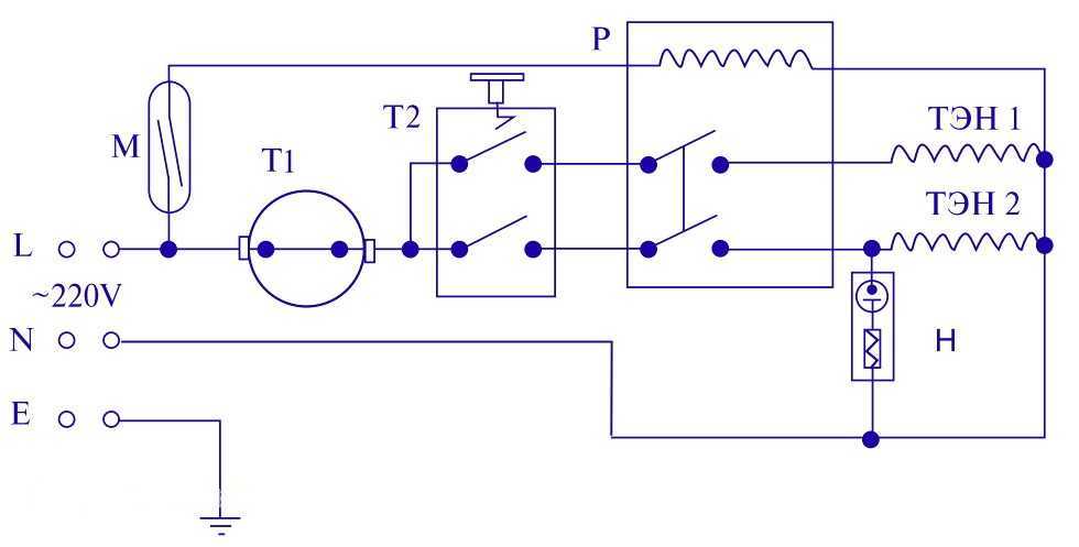
Итак, проточные водонагреватели — это приборы, нагревающие воду исключительно в момент открытия крана, таким образом, не происходит излишнего расходования электроэнергии. На рисунках показано, как устроены типовые электрические проточные водонагреватели.

Рассмотрим основные узлы:
- М
— датчик потока. При открытии крана и появлении проточного движения воды запускает процесс нагрева, а при закрытии крана отключает систему; - Т1 и Т2
— температурные датчики. В случае опасного перегрева ТЭНов срабатывают на их отключение и таким образом защищают от выхода из строя; - ТЭН1, ТЭН2
(один или несколько зависит от модели нагревателя) – элементы, нагревающие поток воды в приборе; - Н
— индикатор состояния системы; - L, N, E
– фаза, ноль, заземление электрического подключения.

Принцип действия довольно прост – вода протекает через капсулу с нагревающим ТЭНом, довольно быстро нагревается и на выходе принимает необходимую температуру.
Мощность бойлера

ТЭН бойлера Данный параметр считается одним из главных при выборе электрического нагревателя – от мощности зависит нормальная работа электросети в квартире, так как не каждая проводка способна поддерживать устройства с большим напряжением. Еще от этого зависит скорость нагрева воды до указанной температуры.
Производительность бойлера определяет ТЭН, который обеспечивает выполнение прибором его основной функции. Принцип его действия можно сравнить с электрочайником: чем мощнее нагревательный элемент, тем быстрее вода достигнет установленной температуры.
Производительность водонагревателя колеблется в пределах 1,5-27 кВт и зависит от его вида. Они бывают:
- проточными;
- накопительными;
- комбинированными.
Чтобы правильно выбрать бойлер, нужно учитывать наиболее часто используемые точки водозабора. Так, для мытья посуды нужен ТЭН в 6-8 кВт, для душа -12-16 кВт.
Проточного

Проточный бойлер Проточные водонагреватели отличаются компактным размером и моментальным нагревом воды. Обеспечивается это непосредственным контактом жидкости из водопровода с ТЭНом.
Такие устройства часто размещают в квартирах, где случаются сбои горячего водоснабжения или оно отсутствует. Чтобы использовать теплую струю в нескольких местах, например в душе и на кухне, нужно выбрать бойлер с соответствующей производительностью.
Мощность проточных нагревателей варьируется от 3 до 27 кВт. Бойлеры мощностью в 3-8 кВт способны нагреть до 6 л воды за минуту, что полностью покрывает нужды семьи из 3-4 человек.
Однако следует учитывать, что в стандартной квартире с однофазным напряжением 220 В устанавливать технику мощностью больше 5 кВт нельзя – проводка этого не выдержит.
Накопительного

Накопительный бойлер Накопительные устройства имеют большой размер, так как вмещают в себя бак для хранения нагретой жидкости. Принцип его действия состоит в следующем:
- Бойлер наполняет бак, включает подогрев и отключается автоматически после достижения заданной температуры.
- При открытии крана горячая вода поступает в смеситель или рассеиватель в душе.
- По мере опустошения емкости она снова наполняется холодной жидкостью, и бойлер включается снова, чтобы нагреть ее.
Среднестатистический бойлер, который подойдет для любой квартиры, потребляет от 1,5 до 3 кВт. При такой производительности 30 л воды нагреются за 1-1,5 часа, а 120 л – за 4 часа.
Сколько потребляет электроэнергии бойлер большого объема?
Для большой семьи из 4-ех человек подойдет водонагреватель объемом 100 литров. Из предыдущего расчета мы узнали, что бойлер потребляет 2 кВт в час. Но водонагреватель данного объема нагревает воду примерно за 3 часа. Таким образом, за сутки происходит 3 цикла. Следовательно, бойлер затрачивает 6 кВт в сутки. В месяц получается расход 180 кВт. В зависимости от региона тариф на электроэнергию меняется.
При пользовании бойлером стоит учитывать следующие нюансы: при частом включении смесителя в воду попадает холодная вода, из-за которой температура уменьшается. Датчик температуры реагирует на понижение и автоматически включает функцию «Подогрев», поэтому электроэнергии будет затрачиваться больше.
В тех районах, где часто отключают электроэнергию, оптимальным вариантом для подогрева воды будет установка накопительного бойлера. Такой водонагреватель удерживает тепло длительное время.
Используем Power Meter
Теперь подробнее рассмотрим особенности прибора Power Meter, позволяющего снять много полезных параметров: силу тока, вольтаж, потребляемую мощность и другие.
Устройство работает от встроенной батарейки. Перед началом пользования необходимо войти в настройки и установить цену для вашего региона.
Для этого зажмите кнопку Cost и выставьте актуальный параметр.
Для изменения характеристики используйте клавишу UP, а для перехода на следующую функцию — Function.
За пару недель работы холодильника прибор показал, что устройство накрутило 51 рубль, 14 кВт (за 4 дня из 7).
Также в меню можно посмотреть минимальное и максимальное потребление Ватт (до 1 кВт).
Во время работы устройство потребляет 150 Вт, а вместе с лампочкой — 164 Вт.
Сколько жрет холодильник? Поможет Power Meter. Обзор и тесты





























