2 научных методики управления освещением удаленных территорий из любых мест
Начну их объяснение с наиболее старой и отработанной технологии.
Как работает импульсное реле в схеме освещения
Типовой малогабаритный релейный модуль импульсного типа создается в корпусе с возможностью установки на Din рейку.

Как и в любом реле здесь имеется обмотка, которая при подаче на нее управляющего сигнала, в нашем случае — импульса тока, срабатывает. Это вызывает изменение положения выходного силового контакта: он открывается или закрывается.
Конструкции подобных реле разрабатываются под разные типы напряжения и нагрузки. Для использования в схемах освещения обычно выбирают модули на 220 вольт по мощности коммутируемых лампочек.
Схема управления освещением от импульсного реле выглядит следующим образом.

Само импульсное реле защищается автоматическим выключателем и своим силовым контактом подает или снимает потенциал фазы на светильник. Оно работает от импульса, поступающего с любой кнопки.
Параллельное включение нужного количества кнопочных выключателей, работающих по принципу замыкающего контакта с самовозвратом, обеспечивает подачу управляющего импульса на реле.
Коммутировать сигнал можно с любого участка. Причем цепи создания импульса не передают больших мощностей и могут выполняться тонким проводником.
Однозначными преимуществами этой схемы по сравнению с проходными двухклавишными выключателями являются:
- простота и доступность элементной базы: кнопки надежнее чем проходные и реверсивные модули. В случае поломки их легко поменять;
- подключение реле к светильнику не требует монтажа сложных логических цепочек из толстого провода с запутанным монтажом. Кабель между ними проложить не сложно. Обвязку же кнопок вообще в большинстве случаев допустимо выполнить обычной телефонной «лапшой»;
- значительная экономия материальных средств за счет снижения затрат на кабельную продукцию.
К недостаткам этой конструкции относятся:
- необходимость для каждого светильника приобретать индивидуальное импульсное реле;
- требование разносить эти модули на небольшое расстояние друг от друга, вызванное возможностью их ложного срабатывания от импульса, поступающего на соседний близкорасположенный корпус.
Системы освещения, управляемые импульсными реле, создают серьезную конкуренцию технологиям, использующим проходные и перекрестные выключатели.
Отдельное внимание следует обратить на беспроводные конструкции. Современная схема удаленного управления светом в системе Умный дом
Современная схема удаленного управления светом в системе Умный дом
Благодаря развитию научных разработок в области микропроцессорных технологий, совершенствованию проводных и беспроводных каналов передачи информации появилась возможность управлять бытовым освещением удаленно.
В качестве примера была освоена и оценена самая простая система умного дома для квартиры от компании Sonoff.
Довольно удачно и практично получилось управлять светом со смартфона через каналы информации интернет.
Однако подключение умного выключателя от Сонофф требует наличия трех проводов в подрозетнике, а в старых зданиях везде проложено только два. Мне пришлось менять этот участок. Думал, что это не вызовет сложностей.
Но от старого хозяина остался сюрприз. Пришлось прикладывать значительные усилия и смекалку для монтажа нового участка. В итоге заработал нормально.
Две последние методики я привел для того, чтобы вы могли сконцентрировать свои усилия на анализе разных способов управления домашним освещением, выбрать наиболее подходящий.
Проходные двухклавишные выключатели, схема подключения которых требует хороших навыков электрика, являются не единственным средством решения подобных задач. Ищите оптимальный вариант под свои конкретные условия.
Я же вам предлагаю дополнительно ознакомиться с материалами полезного видеоролика по нашей теме.
Автор «Обо всем Это интересно» довольно просто и подробно преподносит полезную для новичков информацию.
Конструкция
Перекрестные выключатели (Легранд, Шнайдер Электрик и другие) имеют не три контакта (как большинство стандартных блоков управления), а четыре. Такая конструкция позволяет одновременно отключать или включать по два контакта. Благодаря этому, одновременно замыкается или, напротив, размыкается несколько линий питания (в данном случае, две).

Фото — схема работы перекрестного выключателя
Главным отличием проходных выключателей от перекрестных является то, что первые могут использоваться самостоятельно, а вторые – нет. Перекрестные модели применяются только в комплекте с проходными, но, при этом их обозначение на схемах идентично.
Они представляют собой два спаренных одноклавишных выключателя (иногда одноклавишный), контакты которых соединены при помощи специальных металлических перемычек. Главным удобством такой конструкции является то, что при необходимости их можно сделать своими руками. Такая модель имеет всего одну кнопку, отвечающую за работу системы контактов.

Фото — принцип подключения
Существует два типа таких переключателей по принципу работы:
В поворотных контакты замыкаются при помощи поворотного механизма. Они несколько дороже обычных, но имеют более разнообразные дизайнерские варианты.
И два по вариантам монтажа:
- Накладной (Unica Q, Лезард);
- Встроенный (Леград, АВВ).
Наружный монтируется поверх стены. Для его установки нет необходимости пробивать поверхность дома и устанавливать в стену дополнительный блок. Это очень удобно, если планируется дизайнерский ремонт или просто нет желания повторно отделывать помещение. Но такие модели считаются недостаточно удобными в эксплуатации – они подвержены физическим воздействиям и влиянию агрессивной окружающей среды.

Фото — схема управления светом из трех мест
Встроенные используются для монтажа в стены. Их применяют для разводки проводки во всех типах зданий. Для их монтажа предварительно необходимо подготовить отверстие в стене, соответствующее коробке переключателя.
Особенности переключателей перекрестного типа исполнения:
- Для их подключения используются исключительно четырехжильные провода. В крайнем случае, специалисты рекомендуют использовать два двухжильных с хорошей изоляцией, но такое решение нецелесообразно;
- Такой переключатель может быть одноклавишный, двух и трехклавишный. Но его рекомендуется устанавливать только при необходимости выключать свет из трех разных мест (скажем, в начале, середине и конце коридора). Во всех остальных случаях можно использовать классические проходные варианты;
- Промежуточный переключатель устанавливается исключительно на этапе разводки проводки по дому или квартире. Это основной его недостаток. Из-за подсоединения нескольких контактных групп для подключения системы требуется большое количество проводов, что может создать определенную пожароопасность;
- Среди достоинств конструкции высокие показатели износостойкости. Учитывая, что контакты перекрестных моделей чаще замыкаются, чем проходных или обычных, перемычки выполнены из прочного коррозионностойкого металла, чаще всего – это медь или легированная сталь. В большинстве вариантов есть дополнительная защита от воздействия конденсата, пыли и влаги.
Как сделать проходной выключатель самостоятельно и установить его?
Сразу стоит сказать, что несмотря на, казалось бы, небольшие отличия, проходной переключатель стоит намного дороже обычного. Поэтому многие умельцы, решив сделать управление освещением из нескольких мест, предпочитают мастерить такие устройства самостоятельно, тем более что для человека с руками, откуда надо, это не так уж и сложно. Итак, рассмотрим, как сделать проходной выключатель из обычного, который можно купить на любом рынке или в магазине электротоваров.
Переделка обычного переключателя в проходной не займет много времени
В принципе переделка обычного выключателя в проходной состоит в том, чтобы в схему устройства добавить третий контакт. Для этого желательно приобрести, а может у кого-то уже есть, два выключателя, на одну или пару клавиш, сделанных одним производителем.
Очень важно, чтобы переключатели были одного размера. Если будете приобретать двухклавишный выключатель, то нужно убедиться что у них есть возможность перемены клемм местами таким образом, чтобы разрыв и замыкание каждой из цепей осуществлялось независимо друг от друга. В результате должно получиться, что в одном положение клавиши будет включена одна цепь, а в другом – вторая
В результате должно получиться, что в одном положение клавиши будет включена одна цепь, а в другом – вторая.
Теперь рассмотрим поэтапно процесс переделки обычного выключателя в проходной.
Фото этапа
Описание процесса
Берем обычный накладной одноклавишный выключатель.
Отверткой аккуратно подковырнуть клавишу устройства (как правило, они оснащаются клипсами)
Осторожно выдавить из корпуса сердцевину выключателя. Отжать зажимы корпуса внутреннего механизма выключателя
Отжать зажимы корпуса внутреннего механизма выключателя.
Одну из клемм вынимаем из гнезда.
Переустанавливаем контакт напротив другого.
Устанавливаем на контакты «коромысло».
Собрать корпус обратно и переделка закончена.
Проходной выключатель можно сделать из двух обычных, расположив их рядом таким образом, чтобы один из них включался при нажатии на верхнюю часть клавиши, второй — на нижнюю. Клавиши соединяются пластиной, наклеенной поверх них. Между двумя контактами соседних выключателей устанавливается перемычка.
Перед тем как установить проходной выключатель нужно ослабить распорочные лапки, подключить провода в соответствии со схемой, вставить в монтажную коробку и обратно закрутить винты зажимов.
Более детально процесс переделки можно увидеть в представленном видеосюжете:
Watch this video on YouTube
Назначение
Назначение ВН — коммутация рабочих токов в электроустановках, то есть мощностей, которые не превышают допустимые (номинальные) значения для того или иного участка электрической сети. Данное устройство не рассчитано на отключение токов аварийного режима, поэтому его можно устанавливать только при условии наличия в цепи защиты от короткого замыкания и перегрузки, которая реализуется плавкими предохранителями (ПК, ПКТ, ПТ) или защитным аппаратом, установленным со стороны источника питания или на группе потребителей.

При этом ВН имеет отключающую способность, которая соответствует электродинамической стойкости при коротких замыканиях, что позволяет использовать данный электрический аппарат для подачи напряжения на участок электрической сети, не зависимо от его текущего состояния, например, для пробного включения.
Таким образом, при условии наличия в цепи защиты от сверхтоков рассматриваемый элемент оборудования может эксплуатироваться как полноценный высоковольтный защитный аппарат (масляный, вакуумный или элегазовый). А при наличии моторного привода может участвовать в работе различных автоматических устройств (АВР, АПВ, АЧР, ЧАПВ), а также управляться удаленно автоматизированной системой диспетчерского технологического управления.
Пакетные переключатели
Самый простой, и пожалуй что, наиболее наглядный пример, это решение на основе пакетных переключателей, где требуемый функционал достигался за счет установки перемычек в определенной последовательности. Такая схема часто применялась и наверное до сиих пор работает и используется на заводах, в общем то это прямое назначение пакетников, почему бы их не использовать и для освещения?
Только вот нам, в силу ряда причин, такое решение никак не подходит и далеко не последнюю роль здесь играет эстетическая сторона вопроса, к тому же, пакетные переключатели из-за использования карболита, достаточно дороги.

Схемы подключения
Управление освещением из двух, трех и более мест может быть реализовано по схеме, использующей проходной выключатель, подключение которого является достаточно несложной задачей.
Для того чтобы обеспечить управление освещением из двух мест, необходимо использовать схему коммутации, в состав которой входят два таких изделия. Изменение положения контактов любого из них приводит к включению или отключению напряжения на осветительном приборе. Реализовать эту схему можно, используя следующее соединение элементов электрической цепи.

Как видно из рисунка, схема подключения проходных выключателей имеет некоторые отличия от аналогичной схемы для обычных коммутационных устройств. Больше всего она напоминает подключение обычного двойного выключателя, однако имеется принципиальное отличие, состоящее в том, что в любом положении замыкающих контактов одна из двух коммутируемых цепей является замкнутой. Таким образом, два выключателя составляют единую систему управления освещением.
Такое техническое решение позволяет подать напряжение на вход потребителя электрической энергии при помощи изменения положения контактов любого двух коммутационных устройств.
Проходной выключатель, схема которого представлена на рисунке, позволяет управлять освещением из двух мест. На практике часто возникают ситуации, требующие применения более сложных устройств, обеспечивающих возможность управления работой электрической сети из трех и более мест.
Для реализации различных схем управления потребителями электроэнергии могут быть использованы двойные или тройные, а также перекрестные выключатели.

Подключение перекрестного выключателя
Установка перекрестного коммутатора выполняется одновременно с проходными приборами. Все соединения проводов должны проходить через распределительную коробку. Перекрестный выключатель должен выступать в качестве объединяющего элемента между двумя проходными. В него входят, а затем выходят по два провода от каждого электроприбора.
Провод необходимо подвести от распределительной коробки к светильникам и коммутатором. К осветительным приборам подводят нулевой провод. К первому проходному выключателю подсоединяется фаза. Далее в цепи прокладываются парные провода, соединяющие выключатели. Провода от последнего перекрестного выключателя соединяют с осветительными приборами посредством распределительной коробки.
Таким образом можно создать схему управления освещением с необходимым количеством позиций. При использовании выключателя в любой точке будет происходить выключение и включение подключенных к схеме осветительных приборов.
Как отличить перекрестный переключатель от проходного?
Довольно часто, приходя в магазин электрооборудования с желанием купить переключатели часть из которых проходные, а часть перекрестные и не получив квалифицированной помощи, наши читатели сталкиваются с проблемой, как отличить между собой перекрестный переключатель и проходной?
Действительно, внешне они идентичны, более того, точно так же выглядит обычный одноклавишный выключатель, поэтому ошибиться очень легко.
Основная отличительная особенность перекрестного переключателя, на которую и нужно обращать внимание при покупке, связана со схемой его подключения – это количество подсоединяемых проводов и соответственно клемм для них на механизме
Запомните, для работы одноклавишного перекрестного переключателя требуется ЧЕТЫРЕ провода , для проходного переключателя – ТРИ , а обычного выключателя ДВА . В случае с двухклавишными устройствами (и да, двухклавишные перекрестные переключатели так же встречаются), количество подключаемых проводов соответственно увеличивается вдвое, для каждого случая.
Обычно, на обратной стороне перекрестного переключателя, рядом с клеммами для подключения проводов, нанесены следующие обозначения:
В данном случае, в качестве примера, использован перекрестный переключатель ABB Busch-Jaeger серии Basic55 . Как видите, у него четыре пружинных зажима для подключения проводов. Чтобы не ошибиться при их коммутации, давайте рассмотрим схему подключения перекрестного переключателя.
На схеме указаны также два проходных переключателя, без них тяжело разобраться в принципе работы перекрестного выключателя, так как он используется обычно как минимум третьим в схеме и без двух проходных не применяется.
Теперь, я думаю, вам становятся понятны обозначения, нанесенные на его тыльной стороне, рассмотренные в начале статьи. Две стрелки, направленные внутрь промежуточного выключателя (две верхние) показывают клеммы для пары проводников идущие с первого проходного переключателя
а к клеммам со стрелками, указывающими наружу, подключаются провода, идущие на второй, конечный проходной переключатель.
Соответственно подключение проводов к перекрестному переключателю необходимо выполнять именно в этом порядке – две жилы, идущие от одного проходного переключателя в схеме в одну пару клемм, а две другие жилы, идущие ко второму проходному переключателю в схеме, ко второй паре клемм.
Таким образом, промежуточный переключатель имеет два основных режима работы .
Первый: Когда сигнал, идущий между проходными переключателями не изменяется. Можно считать, что провода неразрывны, это равносильно схеме просто из двух проходных переключателей. Условно это выглядит так:
Второй: Когда сигнал перенаправляется, провода, идущие к конечному проходному переключателю, меняются местами между собой, иными словами перекрещиваются с проводниками приходящими от первого проходного переключателя. Условно это выглядит так:
Эти изображения наглядно иллюстрируют схему работы перекрестного выключателя, теперь, я думаю понятно, как он действует и почему он так называется.
Подробная пошаговая инструкция по подключению и установке перекрестного переключателя описана ЗДЕСЬ .
Итак, подведем итоги:
1. Решив сделать у себя дома систему переключателей в которой управление освещением осуществляется из трех и более мест, необходимо включать в схему перекрестные переключатели, располагая их между двумя проходными.
Если в системе два перекрёстных выключателя (а это соответственно четыре места управления светом), то они соединяются по тому же принципу, последовательно: от первого проходного выключателя две жилы к первому перекрестному, дальше две жилы ко второму перекрестному, а уж от него две к конечному проходному.
Подробнее схема управления светом, состоящая из четырех переключателей представлена на изображении ниже.
3
Подключение проводов к перекрестному переключателю осуществляется в следующем порядке: две жилы от первого проходного переключателя в первую пару клемм, а два провода, по схеме выходящих дальше (неважно на следующий перекрестный переключатель или на последний проходной), подключается ко второй паре клемм
4. Чтобы при покупке отличить перекрестный переключатель от проходного, необходимо смотреть на схему подключения указанную обычно с тыльной стороны, а также на количество подключаемых к устройству проводов и клемм для них, у перекрестного выключателя их ЧЕТЫРЕ, а у проходного ТРИ.
Это основная информация, которую необходимо знать, чтобы правильно подсоединить перекрестный переключатель, схема подключения которого, оказывается не такая уж и сложная, если разобраться в принципе его работы.
Управление освещением с трех мест и более
Нередки ситуации, когда в жилых помещениях большой площади возникает потребность управлять освещением сразу из нескольких точек. Для создания системы многоточечного управления, позволяющей подключать и выключать свет из 3-х мест одновременно, установки одних проходных переключателей обычно недостаточно.

Для этих целей потребуется интегрировать в схему еще один элемент – перекрестный выключатель, который подключается в разрыве двухжильного провода (то есть между проходными приборами).
Если в прежние времена допустимость монтажа таких схем обуславливалась в основном планировкой помещений, то сегодня они встречаются практически повсеместно. Монтаж проходных выключателей этого типа – совсем непростое занятие. Прежде всего, потребуется ознакомиться с принципом его работы.
Принцип работы перекрестного переключателя (выключателя)
Конструкция переключателя предусматривает наличие четырех контактов, из которых два подсоединяются к клеммам одного переключателя и еще два – ко второму прибору.

Эти устройства при таком включении выполняют особые (транзитные) функции, поскольку являются в определенной степени переходными.
Наглядно посмотреть принцип работы перекрестного переключателя Вы можете на Gif-картинке, расположенной ниже.

Схема подключения проходного выключателя для управления из 3х мест
Схемное изображение подключения 2-х проходных и одного перекрестного переключателя представлено на рисунке.

Из него хорошо видно, что между двумя проходными переключателями устанавливается перекрестный выключатель, действующий в качестве своеобразного транзитного узла.
Ниже показана схема подключения проходного выключателя, на которой видно соединения всех элементов электрической цепочки управления освещением в распределительной коробке.

Видео, которое мы разместили ниже, несомненно поможет Вам собрать схему подключения трех выключателей в распределительной коробке.
Схема подключения проходного выключателя для управления из 4х мест
Для четырех точек управления потребуется применить комплексную схему распайки, изображенную на рисунке ниже. В таком комплекте используются не только два проходных, но и пара переключателей перекрестного типа.

При рассмотрении варианта управления светильником сразу из 4-х мест потребуются два перекрестных коммутирующих прибора.

При наличии в данном помещении нескольких осветительных групп предпочтение следует отдать двухклавишным выключателям перекрестного типа. Установленные таким образом проходные системы заметно упрощают процедуру управления освещением.
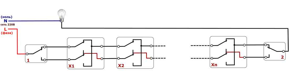
Схема подключения проходного выключателя для управления из 5 мест
Для управление освещением из пяти точек потребуется два проходных выключателя и три перекрестных. Схема подключения будет выглядеть следующим образом:

Схема управления освещением из пяти мест и более с помощью проходных и перекрестных выключателей (1 и 2 — проходные, х1, х2 …хn — перекрестные)
Схема перекрестного выключателя.
Электрическая схема перекрестного выключателя изображается на его корпусе с обратной стороны. Выключатель работает в двух положениях и имеет два контакта, которые замыкаются и размыкаются одновременно. Первый контакт обозначен выводами L1–1, а второй выводами L2–2.

Схема выключателя выполнена таким образом, что в одном его положении замкнуты выводы L1-1 и L2–2, а в другом положении вывод L1 замкнут с выводом 2, а вывод L2 замкнут с выводом 1. Т.е. происходит перекрестное переключение контактов.
На рисунке ниже показано состояние контактов перекрестного выключателя в первом положении, при котором фаза с вывода L1 проходит на вывод 1, а с вывода L2 на вывод 2. Стрелками указывается направление движения фазы.

На следующем рисунке контакты выключателя показаны во втором положении, когда происходит перекрестное переключение. Сигнал с вывода L1 первого контакта попадает на вывод 2 второго контакта, а с вывода L2 второго контакта на вывод 1 первого контакта.

Вот так происходит переброс контактов и таким образом работает перекрестный выключатель.
Как выглядит проходной выключатель с 2 и более мест?
Это минимальное количество устройств, которое можно подключить к системе, чтобы пользователь мог включать или выключать один светильник. На практике такие приспособления используются для того, чтобы включить освещение в одной точке, пройти с комфортом определенный участок и выключить свет в другой точке, не возвращаясь назад.
Пример устройства разводки для жилого помещения из категории стандартных проектов.
Однако проекты на управляющих точек применяются достаточно активно. При последующем переключении любого из выключателей, в произвольном порядке, светильник будет то выключаться, то включаться. Как уже было сказано выше, при отсутствии схемы контакты лучше вызвонить при разных положениях клавиши.
Именно поэтому возникает вопрос, как сделать возможным включение лампочки сразу с двух и более мест? Поделиться с друзьями: Вам также может быть интересно. Рассмотрим принцип действия данных устройств согласно следующему фото: В данной схеме смонтировано: источник питания В фаза и ноль ; распределительная коробка, в которой выполняется коммутация; 2 группы цепей освещения для примера это может быть люстра и светодиодная подсветка в зале или комнате. Схема управления двумя отдельными светильниками из четырех точек Как мы уже заметили, схему управления освещением можно наращивать бесконечно.
Конечно, дополнительный провод можно проложить в кабель-канале или воспользоваться полостью в пластиковом плинтусе. Что касается дешевых китайских выключателей, то в основном, подобной схемы нет, поэтому приходится концы вызванивать прибором. Автоматическое выключение света при выходе из определенной зоны можно организовать с помощью таймеров, или датчиков, фиксирующих перемещение.
Подключение проходного выключателя
Отличия — в количестве контактов Работает выключатель следующим образом: при переключении клавишей вход подключается к одному из выходов. Соединены все нейтральные и все защитные провода с двумя отдельными разъемами. Многоэлементные схемы, конечно, малоприменимы для жилого частного сектора, так как проекты подобного рода редко имеют длинные коридоры или комнаты значительной площади на несколько дверей. Обзор производителей проходных выключателей: популярные модели Прежде чем купить проходной выключатель, стоит познакомиться с ведущими производителями, которые выпускают наиболее качественные изделия. Рассмотрим далее, какова должна быть схема подключения проходного выключателя с 2-х мест, поскольку это считается наиболее распространенным вариантом выполнения систем освещения в домах, квартирах или офисах.
В таких ситуациях возникает необходимость управления освещением с двух мест, именно для решения таких задач и предназначены так называемые проходные выключатели. Решение исполнено с учётом разводки кабеля с проводником заземления PE. В данном случае речь идет о включении в цепь перекрестного переключателя, выступающего в роли дополнительного звена. В таком случае можно будет воспользоваться схемой подключения проходных выключателей на 4 точки. После нажатия на первую кнопку, лампочка погаснет.
В распределительной коробке соединяем соответствующие провода обоих выключателей. При таком решении уже реально проходить длинный коридор до половины пути, выключать освещение на пройденной половине и включать свет на участке оставшейся половины. Обзор производителей проходных выключателей: популярные модели Прежде чем купить проходной выключатель, стоит познакомиться с ведущими производителями, которые выпускают наиболее качественные изделия. Промежуточного положения в данном случае не предусматривается. Параллельный переключатель в отличие от проходного содержит целых 5 контактов, которые и обеспечивают более сложную схему управления освещением, имеющую гораздо большее количество вариантов.
Как подключить проходной выключатель
https://youtube.com/watch?v=3yLQJbjN8Eo
Схема управления освещением обычными проходными выключателями из двух мест: кратко
Ее привожу потому, что она упрощает понимание принципов, заложенных в схемы подключения двухклавишных модулей, созданных для управления светом из разных точек.
Например, войдя в коридор квартиры с улицы вечером, удобно включить свет выключателем №1, повесить верхнюю одежду в настенный шкаф, зайти в спальню и из нее отключить уже ненужное освещение коридора.
Электрическая схема коммутации проводов между светильником, распредкоробкой, выключателями №1 и №2 для этого случая показана ниже.
Потенциал нуля в ней напрямую подается на цоколь лампочки. Фаза же через коммутационные точки распаечной коробки подводится к входной клемме L1 первого переключателя, а с L1 второго направляется непосредственно на центральный контакт светильника.
Промежуточные контакты «1» и «2» обоих корпусов соединены друг с другом. В итоге получается, что фазный потенциал придет на лампочку и зажжёт ее нить тогда, когда обе проходные клавиши занимают одинаковое положение (1 или 2).
При разном сочетании клавиш свечение прекращается.
За счет размещения проходных модулей №1 и №2 в разных удаленных местах квартиры создается возможность коммутацией светильника из той части помещения, где находится человек.
На больших дистанциях потребуется увеличенная длина кабеля. Она может серьезно сказаться на конечной цене осветительной системы.
Как подключить проходные двухклавишные выключатели для управления двумя источниками освещения из двух мест без ошибок
Теперь немного усложним задачу с точки зрения монтажа электрики, но значительно облегчим удобства пользования осветительными приборами внутри квартиры.
Для этого с помощью двух коммутаторов будем управлять светильниками сразу из коридора или спальни.
Теперь человеку не потребуется передвигаться в сумерках по комнатам. Проходные модули позволят управлять освещением дистанционно. Две люстры, расположенные в коридоре и спальне, можно будет зажечь и погасить любым переключателем.
Электрическая схема подключения проходных двухклавишных выключателей к двум различным светильникам выполнена по принципам предыдущей разработки, но она имеет более усложненный вид.
Здесь расход провода возрос примерно вдвое, количество коммутационных точек в распределительной коробке увеличилось с пяти до восьми, что накладывает определенные трудности при выборе ее габаритов.
В каждом подрозетнике придется подключать по шесть проводов, а это накладывает требование увеличения их внутреннего пространства.
Возможно, потребуется выполнять монтаж в двух распаечных коробках стандартного исполнения или пойти на другие ухищрения.
Частично решить эти проблемы можно за счет прямой прокладки проводов между выходными клеммами проходных модулей, минуя их соединения внутри распределительной коробки.
Таким способом можно сэкономить даже на длине кабельных магистралей, спланировав их оптимальное направление. Но, придется учесть местные условия и отразить все это в проекте.
Особенности выключателей

Сенсорный выключатель Legrand Особенность современных выключателей Legrand – наличие образцов, которые нельзя отнести в какой-то конкретной категории. Прежде всего, это одноклавишная настенная модель, оснащенная пультом управления, входящим в комплект коммутационного прибора. К этому же типу изделий относят следующие образцы:
- со шнурком или кнопкой вместо обычной клавиши;
- сенсорные выключатели света, имеющие электронную «начинку»;
- приборы двухклавишные;
- проходной выключатель Legrand.
Наличие в ассортименте этого производителя сенсорных моделей, используемых с датчиками движения, существенно расширяет сферу их применения. То же самое отмечается у проходных выключателей Легранд, позволяющих организовать оригинальные схемы коммутации.
Спрос на такие решения объясняется необходимостью включать свет на входе в комнату и выключать его на выходе из нее.
Схемы подключения
Порядок подключения устройств, входящих в систему удаленного управления, определяется особенностями коммутации проходных переключателей. Рассмотрим принцип их функционирования несколько подробнее.
Электрическая схема
Порядок действия рассматриваемой системы удобнее всего объяснить, если воспользоваться электрической схемой подключения одноклавишного проходного выключателя.

Согласно этому рисунку проходные переключатели связаны двумя линейными проводниками, объединяющими коммутируемые точки. При этом их перекидные контакты исходно находятся в противоположных позициях и подключены к незадействованным линейным проводам.

При входе в комнату перекидная пластина первого прибора переводится в положение, при котором цепь питания осветителя замыкается. В результате этого он включается. На выходе комнаты клавиша второго одноклавишного выключателя переводится в положение «Выключено», так что образованная ранее цепь питания обрывается, а осветитель гаснет.
Специалисты советуют еще до того, как подключать проходные выключатели схема которых рассмотрена выше, специально предусмотреть в квартире две точки их размещения.
Монтажная схема с распредкоробкой
Монтажная или рабочая схема подключения проходного выключателя с подробной прорисовкой всех используемых в ней проводников позволяет наглядно представить себе общий порядок образования соединений. Кроме того, она помогает понять, какое отношение к этому имеют расположенные в квартире распределительные (соединительные) коробки. Схема электрического включения всех перечисленных элементов представлена на фото ниже.

За счет применения типовой распределительной коробки, обозначенной на рисунке в виде круга, удается осуществить электрическое расключение отдельных проводников системы из двух переключательных устройств. Синим и желтым цветом в этой схеме показаны проводники, подводящие к лампочке ноль и фазу соответственно, а черным – внутренние коммутационные цепочки.

Предлагаем к просмотру видео – как подключить два проходных выключателя без распределительной (распаячной) коробки:
Принцип перекрестного отсоединителя
Перекрестный выключатель похож на обычный одно клавишный, разница только в наличии внутри четырех клемм. Перекрестным назван из-за двух электрических линий, которые он переключает, они соединяются в крест.
Перекрестный отсоединитель одновременно разъединяет первый и второй выключатель, затем синхронно соединяет их. От этого перемещения контактов свет зажигается и гаснет.
Совет! Особое внимание уделите правильному соединению концов электрокабелей, иначе вся система работать не будет. Количество точек может быть разным, но чем их больше, тем сложнее коммутация в распределительной коробке
Необходимо четко маркировать провода при проведении, чтобы не перепутать
Количество точек может быть разным, но чем их больше, тем сложнее коммутация в распределительной коробке. Необходимо четко маркировать провода при проведении, чтобы не перепутать.
Недостатки
1
Если у вас перегорела лампочка и ее нужно заменить, при такой схеме не сразу можно понять, свет включен или выключен.
Будет неприятно, когда при замене, лампа просто может взорвать перед глазами. В этом случае самый простой и надежный способ отключить автомат освещения в щитке.
2
И чем больше у вас светоточек, тем большее их количество будет в распредкоробках. Подключение кабеля напрямую по схемам без распаечных коробок уменьшает количество соединений, но в разы может увеличить либо расход кабеля, либо количество его жил.
Если у вас проводка идет под потолком, то придется оттуда опускать провод к каждому переключателю, а потом обратно поднимать его вверх. Лучший вариант здесь, применение импульсных реле.





























